special Dot:
BZ series power sensors have the characteristics of multiple varieties, multiple specifications, good accuracy, strong waterproofness, and high reliability, and can be installed in different positions and adapt to various models.
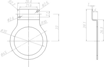
Model specification: BZ-10B
Sensor Form:

Stand Size:


10 Magnet steel disc size:


Lead method: three-wire system
Standard interface: SM-3Y